| Estado de Disponibilidad: | |
|---|---|
Tipo de modo ZHC
Condensador de cerámica de ultra alto voltaje
Características:
El voltaje nominal UR es más de 10kv.dc.
Tamaño de Samll y voltaje de resistencia dieléctrica
Recubierto con resina epoxi-retardante de llama.
Bajo factor de disipación y excelentes características de frecuencia.
Este tipo de condensadores se compone principalmente de CT81. Tipo de plomo radial CC81, HFC, tipo de molde ZHC y condensadores de red de alto voltaje HPC.
Aplicaciones:
Suministros de CC de alto voltaje, como láseres, aparatos de rayos X, limpiadores de aire, etc.
Utilizado en los circuitos de enfoque para la pantalla de color, lo que hace que la imagen se enfoque mejor de la pantalla completa.
Utilizado en las máquinas de recubrimiento electrostáticas.
Especificación:
Rango de temperatura | Condición de prueba | ||
-25 ℃ ~+85 ℃ | temperatura | Voltaje | frecuencia |
20 ± 2 ℃ | 1.0 ± 0.2V | 1 kHz o 1 MHz | |
Voltaje nominal (UR): 10-40kv.dc
Capacitancia nominal: 1-10000pf
Tolerancia: J: ± 5%; K ; ± 10%; M: ± 20%
Temperatura. Char.: Bn, B, R, D, E, F, Sl, Yl.
Factor de disipación: bn≤0.5% r, d≤0.2%
B, E, F≤2.5% (1kHz)
SL, YL≤0.15% (1MHz)
Resistencia a aislamiento: 10000 m Ω min.
Voltaje de prueba: 1.5ur
Tipo de enfoque HFC:
Este tipo de condensadores se compone principalmente de HFC-11 y HFC-12 de tipo.
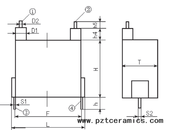
Dimensión de apariencia y dibujo esquemático
Código No. | L ± 1.0 | H ± 1.0 | F ± 1.0 | T ± 1.0 | D1 Φ ± 0.5 | D2 Φ ± 0.1 | H1 ± 0.5 | H2 ± 0.5 | H3 ± 0.5 | H4 ± 0.5 | H5 ± 0.5 | H6 ± 1.0 | S1 ± 0.1 | S2 ± 0.1 | d Φ ± 0.1
|
HFC-11-15KV-102K | 27.0 | 38.0 | 18.0 | 14.5 | 5.8 | 3.2 | 4.5 | 2.8 | 1.7 | 10.0 | 600 (480) | 9.0 | 1.0 | ||
HFC-12-15KV-102K | 34.0 | 27.0 | 31.0 | 18.0 | 6.4 | 2.35 | 4.5 | 8.0 | 3.3 | 0.7 | 1.75 |
| Código No. | Dimensión de apariencia | Dibujo esquemático |
| HFC-11 | ![]() | ![]() |
| HFC-12 | ![]() | ![]() |
Contacto:
Correo electrónico: sales@pztceramics.com
violet.shan@pztceramics.com
Tel.: +86 131 6536 1320
Web: www.pztceramics.com
Condensador de cerámica de ultra alto voltaje
Características:
El voltaje nominal UR es más de 10kv.dc.
Tamaño de Samll y voltaje de resistencia dieléctrica
Recubierto con resina epoxi-retardante de llama.
Bajo factor de disipación y excelentes características de frecuencia.
Este tipo de condensadores se compone principalmente de CT81. Tipo de plomo radial CC81, HFC, tipo de molde ZHC y condensadores de red de alto voltaje HPC.
Aplicaciones:
Suministros de CC de alto voltaje, como láseres, aparatos de rayos X, limpiadores de aire, etc.
Utilizado en los circuitos de enfoque para la pantalla de color, lo que hace que la imagen se enfoque mejor de la pantalla completa.
Utilizado en las máquinas de recubrimiento electrostáticas.
Especificación:
Rango de temperatura | Condición de prueba | ||
-25 ℃ ~+85 ℃ | temperatura | Voltaje | frecuencia |
20 ± 2 ℃ | 1.0 ± 0.2V | 1 kHz o 1 MHz | |
Voltaje nominal (UR): 10-40kv.dc
Capacitancia nominal: 1-10000pf
Tolerancia: J: ± 5%; K ; ± 10%; M: ± 20%
Temperatura. Char.: Bn, B, R, D, E, F, Sl, Yl.
Factor de disipación: bn≤0.5% r, d≤0.2%
B, E, F≤2.5% (1kHz)
SL, YL≤0.15% (1MHz)
Resistencia a aislamiento: 10000 m Ω min.
Voltaje de prueba: 1.5ur
Tipo de enfoque HFC:
Este tipo de condensadores se compone principalmente de HFC-11 y HFC-12 de tipo.
Dimensión de apariencia y dibujo esquemático
Código No. | L ± 1.0 | H ± 1.0 | F ± 1.0 | T ± 1.0 | D1 Φ ± 0.5 | D2 Φ ± 0.1 | H1 ± 0.5 | H2 ± 0.5 | H3 ± 0.5 | H4 ± 0.5 | H5 ± 0.5 | H6 ± 1.0 | S1 ± 0.1 | S2 ± 0.1 | d Φ ± 0.1
|
HFC-11-15KV-102K | 27.0 | 38.0 | 18.0 | 14.5 | 5.8 | 3.2 | 4.5 | 2.8 | 1.7 | 10.0 | 600 (480) | 9.0 | 1.0 | ||
HFC-12-15KV-102K | 34.0 | 27.0 | 31.0 | 18.0 | 6.4 | 2.35 | 4.5 | 8.0 | 3.3 | 0.7 | 1.75 |
| Código No. | Dimensión de apariencia | Dibujo esquemático |
| HFC-11 | ![]() | ![]() |
| HFC-12 | ![]() | ![]() |
Contacto:
Correo electrónico: sales@pztceramics.com
violet.shan@pztceramics.com
Tel.: +86 131 6536 1320
Web: www.pztceramics.com